Termékek
Karimás gömbszelep
  • Karimás gömbszelepKarimás gömbszelep

Karimás gömbszelep

A GenTant professzionálisan gyárt kiváló minőségű karimás gömbszelepeket, és gyárunk átfogó testreszabott szolgáltatásokat és ingyenes mintákat is kínál minősített projektekhez, hogy megfeleljen az Ön pontos specifikációinak. Szakértelmünk túlmutat ezen az egyetlen termékvonalon; ipari szelepek változatos és kiterjedt portfóliójának gyártására specializálódtunk. Ez a széles körű gyártási képesség mély, több tudományágat átfogó mérnöki tudást biztosít, amelyet minden általunk gyártott karimás gömbszelepre alkalmazunk. Lehetővé teszi számunkra, hogy kiváló anyagválasztást, precíziós megmunkálást és teljesítménytesztet kínáljunk, garantálva, hogy minden szelep az igényes ipari szolgáltatásokhoz szükséges tartósságot, precíz szabályozást és hosszú távú megbízhatóságot nyújtsa.

A Flanged Globe Valve egy robusztus ipari áramlásszabályozó berendezés, amelyet karimás végei különböztetnek meg, amelyek biztonságos, csavaros csatlakozást tesznek lehetővé a csővezeték karimáihoz. Alapvető funkciója a precíz fojtás, szabályozás és a folyadékáramlás megbízható leállítása. A szelep egy lineáris mozgású száron keresztül működik, amely egy tárcsát vagy dugót merőlegesen egy rögzített ülékgyűrűre enged le, ami jellegzetes változást hoz létre az áramlási irányban (gyakran "S" pálya). Ez a kialakítás lehetővé teszi a finomhangolt áramlásszabályozást és a pozitív tömítést. A karimás csatlakozás alkalmassá teszi nagy integritású, szivárgásmentes telepítésekhez közepes és nagy nyomású rendszerekben, amelyek az energiatermelésben, a vegyi feldolgozásban, az olaj- és gáziparban, valamint a nagyméretű HVAC alkalmazásokban találhatók.


A termék jellemzői és alkalmazása

A karimás gömbszelepet csavaros végcsatlakozásai jellemzik, amelyek nagy szilárdságú, szivárgásmentes tömítést és könnyű beszerelést biztosítanak nagyobb csőhálózatokba. Elsődleges jellemzője a Z-karosszéria kialakítása, amely kivételes fojtópontosságot és megbízható kikapcsolást biztosít. A lakossági és kereskedelmi szektorban széles körben használják a fő vízvezetékekhez, a HVAC hűtőrendszerekhez és a kazán tápvíz szabályozásához, ahol elengedhetetlen a gyakori karbantartás és a stabil áramlásszabályozás.


Termék paraméter

Műszaki előírás

Névleges nyomás: 1,6 MPa

Munkaközeg: víz, olaj, nem korrozív és nem gyúlékony gázok

Üzemi hőmérséklet: -20°C ≤ T ≤ 150°C


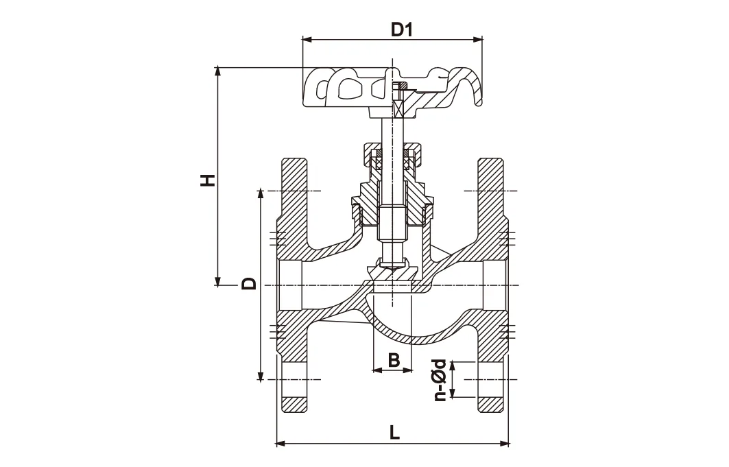
Termék mérete

Flanged Globe Valve

DN

L (mm)

H (mm)

D1 (mm)

D (mm)

B (mm)

n-Φd

WT (g)

15

79

90

75

65

14

4-14

1195.0

20

88

95

80

75

17

4-14

1637.0

25

92

105

80

85

21

4-14

1926.0

32

107

147

110

100

28

4-18

3404.0

40

131

154

110

110

36

4-18

4223.0

50

171

188

145

125

45

4-18

6489.0

65

197

212

145

145

63

4-18

9249.0

80

246

324

200

160

83

8-18

17556.0

100

275

378

240

180

97

8-18

24328.0

125

335

438

240

210

120

8-18

30200.0

150

350

480

300

240

140

8-18

35000.0


Telepítési útmutató

1. A szelep felszerelése előtt alaposan tisztítsa meg és készítse elő a csőrendszert.

2. Telepítés előtt távolítson el minden védősapkát, és ellenőrizze a szelepnyílásokat és az ülékfelületeket, hogy megbizonyosodjon arról, hogy tisztaak.

3. Biztosítson megfelelő alátámasztást a szelepnek, hogy elkerülje a csövek csatlakoztatása miatti feszültséget.

4. Győződjön meg arról, hogy a karimás gömbszelep nyomás- és hőmérséklet-besorolása megfelel a tervezett üzemi körülményeknek.

5.Mielőtt üzembe helyezi a szelepet, forgassa át teljesen nyitott állapotból zárt állapotba, hogy ellenőrizze a zökkenőmentes működést.

6.A beszerelés után ellenőrizze, hogy a tömítőanya megfelelően meg van-e húzva.

7.A tolózár és a gömbszelepek esetében javasolt a szelepszár függőlegesen és a működtető fogantyú felfelé történő felszerelése.


Kezelési útmutató

1. A kapu- és gömbszelepek kézi működtetésűek. Fordítsa el a fogantyút az óramutató járásával ellentétes irányba a nyitáshoz és az óramutató járásával megegyező irányba a záráshoz.

Ellenőrzés és karbantartás

2. A rutinellenőrzés és a megelőző karbantartás általában nem szükséges, eltekintve a szelepszár tömítésének időnkénti beállításától és a szelep időszakos, nyitott állapotból zárt állapotba állítása mellett.

3. Ha a tömítés szivárog, húzza meg a tömítőanyát az óramutató járásával megegyező irányba körülbelül negyed fordulattal – vagy amíg a szivárgás meg nem szűnik –, hogy növelje a tömítési nyomást a szártömítésen. Soha ne csomagoljon újra egy szelepet, ha rendszernyomás alatt van.

4.A szelepszár cseréjekor cserélje ki a tömítőanyagot is.


Cserealkatrészek

Normál üzemi körülmények között ritkán van szükség cserealkatrészekre. Az egyes szeleptípusokhoz ajánlott pótalkatrészek a következők:

Gömbszelepek: fogantyú, fogantyú anya, tömítés, tömszelence, tömítőanya, tárcsa és ülék.

Alkatrészek rendelésekor adja meg a szelep számjegyét, méretét, a szükséges alkatrészt és hozzávetőleges korát.



Hot Tags: Kínai karimás gömbszelep gyártó, szállító
Kérdés küldése
Elérhetőségei
Ha bármilyen kérdése van árajánlattal vagy együttműködéssel kapcsolatban, kérjük, írjon nekünk a zchen@gentantvalves.com címre, vagy használja a következő kérdőívet. Értékesítési képviselőnk 24 órán belül felveszi Önnel a kapcsolatot. Köszönjük érdeklődését termékeink iránt.
X
Cookie-kat használunk, hogy jobb böngészési élményt kínáljunk, elemezzük a webhely forgalmát és személyre szabjuk a tartalmat. Az oldal használatával Ön elfogadja a cookie-k használatát. Adatvédelmi szabályzat
Elutasít Elfogadás