Termékek
Karimás visszacsapó szelep
  • Karimás visszacsapó szelepKarimás visszacsapó szelep

Karimás visszacsapó szelep

A karimás visszacsapó szelepet a GenTant, Kína vezető szelepgyártója és -szállítója gyártja. Üzemünk hatalmas és változatos ügyfélkört szolgál ki, amelyet erős globális exportrekord támaszt alá. Sikeresen szállítottunk kiváló minőségű szelepeket számos ügyfelünknek és jelentős piacnak világszerte, beleértve az Európába, Észak-Amerikába és Oroszországba irányuló kiterjedt exportot. Ez a nemzetközi elterjedtség bizonyítja, hogy bizonyítottan képesek vagyunk megfelelni a változatos nemzetközi szabványoknak és a globális mérnöki projektek szigorú követelményeinek, megszilárdítva hírnevünket az áramlásszabályozási iparágban megbízható és képes partnerként.

A karimás visszacsapó szelep egy robusztus ipari áramlásszabályozó eszköz, amely automatikusan lehetővé teszi a folyadék egyirányú áramlását, és megakadályozza az ellenirányú áramlást a csőrendszeren belül. Ezt egy csuklós tárcsán vagy lengőmechanizmuson keresztül éri el, amely előremenő nyomás hatására nyílik, és gravitáció és/vagy visszafolyási nyomás hatására záródik, hogy pozitív tömítést hozzon létre. Meghatározó jellemzője, a karimás végek biztonságos és egyszerű csavarozást tesznek lehetővé a csőkarimák között, így biztosítva a nagy épségű, szivárgásmentes csatlakozást, amely alkalmas nagynyomású és nagy átmérőjű alkalmazásokhoz. Ez a funkció kritikus fontosságú a szivattyúk, kompresszorok és más kulcsfontosságú berendezések vízkalapács és ellentétes irányú áramlás okozta sérülésektől való védelmében, valamint a rendszer hatékonyságának és biztonságának megőrzésében a vízkezelésben, az energiatermelésben, a vegyiparban, valamint az olaj- és gáziparban.


A termék jellemzői és alkalmazása

A karimás visszacsapó szelepet biztonságos, egyirányú áramlásszabályozásra tervezték csőrendszerekben, karimás végekkel az egyszerű telepítés érdekében, valamint erős, szivárgásmentes csatlakozásokkal. Lengő- vagy emelőmechanizmusa megakadályozza a visszaáramlást, védve a szivattyúkat, csővezetékeket és berendezéseket a sérülésektől. Széles körben használják vízellátásban, HVAC, ipari és vegyi rendszerekben, megbízható működést, csökkenti a karbantartást és stabil rendszerteljesítményt biztosít.


Termék paraméter

1. Névleges nyomás: 1,6 MPa  

2. Munkaközeg: víz, nem korrozív és nem gyúlékony gázok

3. Üzemi hőmérséklet: -20°C ≤ T ≤ 150°C  


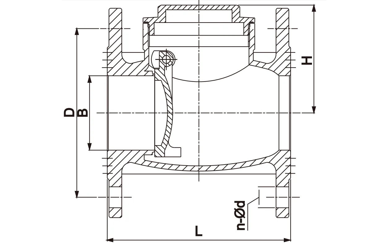
Termék mérete

Flanged Check Valve

DN

L (mm)

H (mm)

D (mm)

B (mm)

n-⌀d

WT (g)

40

135

73

110

40

4-18

3893.0

50

143

85

125

50

4-18

5381.0

65

160

95

145

65

4-18

7611.0

80

185

104

160

80

8-18

9445.0

100

210

118

180

100

8-18

12885.0

125

235

133

210

120

8-18

18550.0

150

263

142

240

142

8-23

27000.0


Telepítési útmutató

1. A szelep felszerelése előtt alaposan tisztítsa meg és készítse elő a csőrendszert.

2. Telepítés előtt távolítson el minden védősapkát, és ellenőrizze a szelepnyílásokat és az ülékfelületeket, hogy megbizonyosodjon arról, hogy tisztaak.

3. Biztosítson megfelelő alátámasztást a szelepnek, hogy elkerülje a csövek csatlakoztatása miatti feszültséget.

4.Győződjön meg arról, hogy a szelep nyomás- és hőmérséklet-értékei megfelelnek a tervezett üzemi feltételeknek.

5.Mielőtt üzembe helyezi a karimás visszacsapó szelepet, forgassa teljesen nyitott állapotból zárt állapotba, hogy ellenőrizze a zökkenőmentes működést.

6.A beszerelés után ellenőrizze, hogy a tömítőanya megfelelően meg van-e húzva.


1. megjegyzés: A karimás visszacsapó szelepek beépíthetők vízszintes vagy függőleges csővezetékbe felfelé irányuló áramlással, vagy közbenső irányban, feltéve, hogy a lengő típusú visszacsapó szelepek csuklócsapja vízszintes marad. A visszacsapó szelepeket megfelelő távolságra szerelje fel a szivattyú kimenetétől vagy más turbulens áramlási forrástól. A részleteket lásd a vonatkozó műszaki közleményben.


2. megjegyzés: Egyes visszacsapó szelepek belső csomagolást tartalmazhatnak, amely megvédi a lemezt a szállítás során. Telepítés előtt távolítson el minden ilyen csomagolóanyagot.


Kezelési útmutató

A karimás visszacsapó szelepek automatikusan működnek, és nem igényelnek kézi beavatkozást.


Ellenőrzés és karbantartás

1. A rutinszerű ellenőrzés és a megelőző karbantartás általában nem szükséges, eltekintve a szelepszár tömítésének időnkénti beállításától és a szelep időszakos ciklusos átkapcsolásától a nyitott állapotból a zárt állapotba.

2. Ha a tömítés szivárog, húzza meg a tömítőanyát az óramutató járásával megegyező irányba körülbelül negyed fordulattal – vagy amíg a szivárgás meg nem szűnik –, hogy növelje a tömítési nyomást a szártömítésen. Soha ne csomagoljon újra egy szelepet, ha rendszernyomás alatt van.

3.A szelepszár cseréjekor cserélje ki a tömítőanyagot is.


Cserealkatrészek

Normál üzemi körülmények között ritkán van szükség cserealkatrészekre. Az egyes szeleptípusokhoz ajánlott pótalkatrészek a következők: Tárcsa, tartó és csuklópánt.

Alkatrészek rendelésekor adja meg a szelep számjegyét, méretét, a szükséges alkatrészt és hozzávetőleges korát.


Karbantartás

1.Rendszeres tisztítás. A csővezetékben lévő szennyeződések és üledékek visszacsapó szelepre gyakorolt ​​hatásának elkerülése érdekében rendszeresen meg kell tisztítani a teljesen rézből készült vízszintes visszacsapó szelepet és a csővezeték belsejét.


2.Jegyezze fel a váltakozó hideg- és melegvizes műveleteket. A visszacsapó szelep gyakori nyitása és zárása károkat okoz, ezért kerülni kell a váltakozó hideg- és melegvizes műveleteket.


3.Jegyezze fel a nyomást. A teljesen rézből készült vízszintes visszacsapó szelep használatakor ügyelni kell a csővezetéken belüli nyomáshelyzetre, mivel a túlzottan magas nyomás károsan hat a visszacsapó szelepre. Röviden, a teljesen rézből készült vízszintes visszacsapó szelep egy gyakran használt eszköz a csővezetékrendszerekben, használata és karbantartása nagyon egyszerű és könnyű. A tényleges használat során a felhasználóknak a fenti követelményeknek megfelelően kell működniük és karbantartania a használati hatást.



Hot Tags: Kínai karimás visszacsapó szelep gyártó, szállító, gyár
Kérdés küldése
Elérhetőségei
Ha bármilyen kérdése van árajánlattal vagy együttműködéssel kapcsolatban, kérjük, írjon nekünk a zchen@gentantvalves.com címre, vagy használja a következő kérdőívet. Értékesítési képviselőnk 24 órán belül felveszi Önnel a kapcsolatot. Köszönjük érdeklődését termékeink iránt.
X
Cookie-kat használunk, hogy jobb böngészési élményt kínáljunk, elemezzük a webhely forgalmát és személyre szabjuk a tartalmat. Az oldal használatával Ön elfogadja a cookie-k használatát. Adatvédelmi szabályzat
Elutasít Elfogadás